Kawasaki vn1600 vulcan classic vn 1600 electrical wiring harness diagram schematic here. Kawasaki kz1000 wiring diagram of the electrical system has been viewed 3107 times which last viewed at 2020 06 28 205907 and has been downloaded 28 times which last downloaded at 2016 06 23 011855 revealed by hailey on 19 mar 2014.
How To Add Subwoofer In Trunk With Amp For It Impala Forums
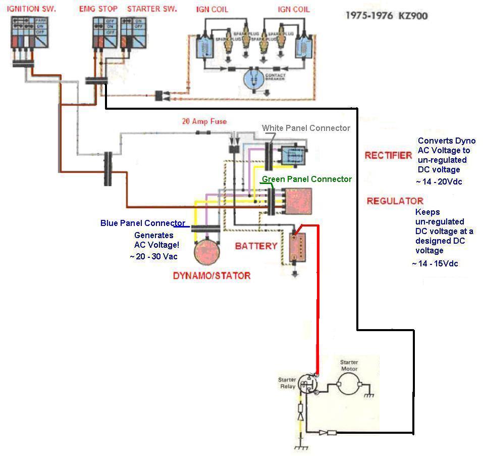
Kz1000 wiring diagram. 32 out of 100 based on 199 user ratings the kawasaki kz1000 wiring diagram of the electrical system can be download for free. Kawasaki kz1000 kz 1000 ltd electrical wiring harness diagram schematic here. Kawasaki vn900 vulcan classic vn 900 electrical wiring diagram schematic here. Oil andor oil filter change. Turn signals hazard and flasher circuit. Looking for a wiring diagram for a 1994 kz1000 police special.
This circuit and wiring diagram. Entire wiring diagram warning this is a 12 meg file and may take a while to download other kz1000p service related items. Im building a bare bones bike with nothing on it except for the essentials. Not really sure if the clutch sensor is electric or mechanical but it there are 2 on the handlebar clutch assembly and the kickstand. Kawasaki vn1600 vulcan mean streak vn 1600 electrical wiring diagram schematic here. Scheduled maintenance table of contents.
My thing was just to run an ignition with your basic. Kawasaki kz1000 police special wiring diagrams for kz1000p. Motophile reblogged this from kz1000. There was a mention of having a carburetor regulator module wired. 13102018 13102018 4 comments on 1982 2002 kz1000 police p1 p21 wiring diagram kawasaki kz kz zx zn z z cc cc. Z police model p1 p21 troubleshooting and electrical service procedures are combined with detailed wiring diagrams color on.
Engine oil level inspection. Kz1000 wiring diagram 1977 model zadrenalinerush liked this.














