Toyota avensis service repair manual supplement rm1045e toyota fortuner workshop manual 2015 2015. 2002 2007 toyota avensis chassis wiring diagram engine body repair manual.
Download Baldor Wiring Diagram Single Phase
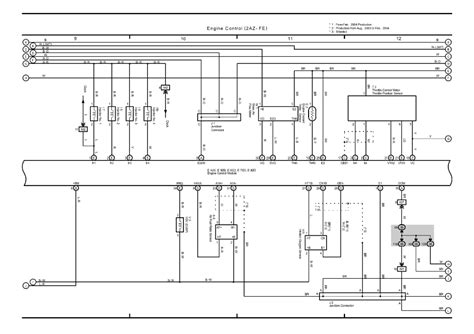
1az fse wiring diagram download. Toyota 1az fe engine repair manual rm865e pdf free onlinethis manual is made in accordance with sae j2008generally repair operations can be separated in the following 3 main processes. Toyota 1az fse engine repair manual rm1019e toyota 1az fse engine repair manual rm1019e engine. No more flipping through books to find what you need. Toyota avensis service repair manual supplement rm1045e toyota fortuner workshop manual 2015 2015. Diagnosis removing and installing replacing disassembling. Toyota 1az fse engine repair manual rm1019e updated.
Print only the pages and diagrams you require. Generally repair operations can be separated in the following 3 main processes. 2002 2007 toyota avensis chassis wiring diagram engine body repair manual. You get everything you will ever need on one easy to use cd manual. Toyota 1az fe1az fse2az fe engine repair manual enrar a collection of english manuals on the maintenance and repair of toyota engines models 1az fe 1az fse 2az fe. Toyota 1az fse engine repair manual rm1019e toyota u151e u151f automatic transmission repair manual rm1021u.
Complete step by step instructions diagrams illustrations wiring schematics and specifications to completely repair your toyota noah 1az fse engine with ease. This manual is made in accordance with sae j2008. Toyota 1991 2005 wire harness repair manual enpdf manual in english for repairing wiring of toyota cars.

















