I have fire on the wires that hook to the ignition. 3101 3101 espanol.
Easy Wiring Engine 5 Pin Cdi Wiring Diagram Gy6 150cc Cdi
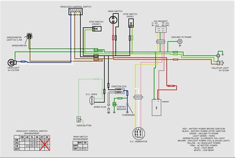
Yerf dog spiderbox wiring diagram. Lower a arm for yerf dog spiderbox kart designed for 12 bolt 1 your price. 30009 30009 espanol. We obtain this best image from internet and select the top for you. Then would not crank again. Yerf dog manuals parts breakdowns. Service manuals diagrams.
30033 30033 espanol. Checked no fire to spark plug but has fire on wires going to coil. Start with step 1 and work through this guide completely. Yerf dog 150cc wiring diagram go kart dazon raider classic wiring diagram. 30034 30034 espanol. 1204 1204 espanol.
View and download yerf dog spiderbox 2004 service manual online. Yerf dog gx150 wiring diagram to accurately diagnose your ignition system you will need to do each of these steps in sequence. This best picture collections about yerf dog spiderbox wiring diagram is available to download. How the cvt transmission system works pinout diagram of the dc cdi. Put on new ignition coil. 3200 3200 espanol.
Yerf dog spiderbox wiring diagram nov 10 2019 horbar. Bmi is not yerf dog or flexible flyer and has no affiliation with them. Replacment parts accessories. Bmi is just selling replacement parts. Spiderbox 2004 utility vehicle pdf manual download. 5258 05138 clutch mount with jackshaft 2.
When i pulled the starter out completely and hoohed it direct to my charger it spun just fine but when it was connected and turned with the key while grounded to the engine case there was minimal power. 1203 1203 espanol. Engine wiring harness for yerf dog cuvs 1 your price. Yerf dog 150cc wiring diagram go kart yerf dog 150cc wiring diagram go kart travis at buggy depot august 17 2014. I have a yerf dog spiderbox no fire to spark plug. Yerf dog spiderbox wiring diagram images and pictures collection that published here was properly picked and uploaded by author after selecting the ones which are best among.
Yerf dog spider box wiring help by pud mon jul 22 2013 1115 pm manicmechanic wrote. If you need assistance contact us with the voltages you see at each step. Electrical troubleshooting yerf dog spiderbox gx150.

















