Pada dasarnya sebuah mesin cuci dua tabung atau manual sudah dilengkapi dengan rangkaian orisinilnya dan sudah bagus. Tutorial cara mengganti bearinglaher gearbox mesin cuci front loading.
Ff Electrical Centre Posts Facebook
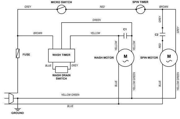
Wiring diagram mesin cuci front loading. Wiring diagram mesin cuci front loading. Tidak perlu diotak atik lagi karena sudah sesuai dengan fungsi dan kegunaan. By admin posted on april 3 2018 october 16 2019. Wiring diagram mesin cuci 1 tabung top loading otomatis rubah jadi manual buat teman teman yang mungkin masih bingung gimana caranya menyambung kabel untuk modifikasi mesin cuci semoga video. Skema diagram kelistrikan mesin cuci. Mesin cuci dengan bukaan depan yang dapat mencuci secara otomatis akan menjaga kualitas pakaian anda.
Temukan pilihan mesin cuci front loading dari panasonic. Namun bagaimana dengan sobat yang hendak memperbaiki sebuah mesin cuci dan kebingungan dengan banyaknya kabel didalamnya. Cara merubah mesin cuci otomatis jadi manual modal gak sampe seratus ribu. Membuat kepala jadi pusing. Homepage wiring diagram mesin cuci front loading. Mesin cuci merek modena.
Assalamualaikum saya mau tanya nih saya mengalami kesulitan dalam merangkai kabel pada mesin cuci jadi asalnya itu gulungannya sudah rubahan dari bengkel dan dia hanya dapat berputar ke arah kanan saja sebelumnya saya juga pernah belajar dynamo tapi saya belum paham jalur kabel yang dipasang ke timer agar bisa bolak balik tolong kasih masukan.














