Dish pro hybrid 42 switch. 8 plug in the power supply for the power inserter to a non switched outlet.
Lennox Sound Cd 101 Manual Lawn
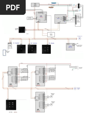
Hybrid solo hub wiring diagram. Dish pro hybrid solo hub rg 6 coax to splitters and then joeys as shown on previous wiring diagram max 6 joey thin client receivers in same video network as each hopper 3 joeys 4k joeys wireless joeys hopper 3 rg 6 coax amplifier dish pro hybrid 42 switch rg 6 coax switch power inserter rg 59 coax will work rg 6 coax recommended. Wiring diagramsantenna with dish pro plus lnbf rg 6 coax lines hopper 3 dish pro hybrid solo hub rg 6 coax to splitters and then joeys as shown on previous wiring diagram max 6 joey thin client receivers in same video network as each hopper 3 joeys 4k joeys wireless joeys hopper 3 rg 6 coax amplifier dish pro hybrid 42 switch rg 6 coax. Do not connect numbered cable 3 to the dph lnbas an aside you could connect cable 3 to the dphs lnb in port. Ive seen wiring diagrams that show only the rg6 from the dish to the hybrid solo hub and others that show a ground from the dish all the way to the hub with the hub being grounded to a house ground. A dph solo hub may only be connected to a dpp lnbfswitch a dph tap may be used on the host line to connect a joey or hic terminate any unused client ports hopper duo installation scenarios for detailed installation diagrams visit hopper receiver installation diagrams hopper duo and 1 joey with dph solo hub. Example current dpp and the new dph networks.
Triplexer or soloduo hub. The solo hub has one host port and two client ports eliminating the need for a splitter to install two clients. Ive got a specialized heavy duty tripod from tv4rv and think ive got antenna aiming and anchoring to the ground pretty well understood. Dish pro hybrid ea triple lnbf 615 and 727 which also has 2 outputs instead of the 3 on a 10002 ea duo lnbf. Dish pro hybrid wa triple lnbf 110 119 129 which has 2 outputs instead of the 3 on a 10002 wa triple lnbf. Dish pro hybrid overview this is the first in a two part series on the rollout of the next generation of lnbf and components called dish pro.
Refer to the wiring diagrams section on page 8. The cable from the dish goes right to the 722 receiver. Ive never had a ground at the receiver end. Also you need to identify the port 1 dph connection because this port must be connected to the hybrid solo hub. That way you could connect. Connect numbered coax cables 1 and 2 from the sk 1000 to the two lnb outputs on the dph lnb.
Each receiver output from the switch supplies signals from up to four satellite locations to the connected receivers. Im about to dive into a hopper 3 and a single joey 20 installation from a 10002 with wa dph lnbf via hybrid solo hub.
















