Connect alternator to balmar regulator wiring harness as indicated in wiring diagram included on page 12. Oex has earned a reputation among australia and new zealands auto electrical and thermal specialists for high quality reliable products at the right price.
Converting A Generator To An Internally Regulated Alternator
Oex alternator wiring diagram. Three terminal wiring or four terminal wiring. If a new regulator is being installed along with the alternator complete its wiring. You may accidentally touch a battery terminal and you certainly will get your. If you are able to look at a manufacturers diagram of the alternators connectors the wire that slides over pin 1 of the alternator leads to the positive connection on the vehicles battery and senses voltage. Alternator wiring varies on the type of denso alternator fitted in your car but it generally fall into two categories. 12 volt alternator installation operation manual introduction thank you for choosing a balmarr high output alternator.
Wiring diagram dxa433u specifications voltage 12v power rating 110a adjusting hole diameter m8 alternator mount single leg. The engine must be turned off during this process. Wiring diagram how an alternator works. Wiring diagram dxa4044u specifications voltage 12v power rating 240a adjusting hole diameter m8. Collection of denso alternator wiring schematic. Since developing and supplying products for mining industrial manufacturing and rv industries as well as radiator marine and repair specialists oex has quickly become the brand of.
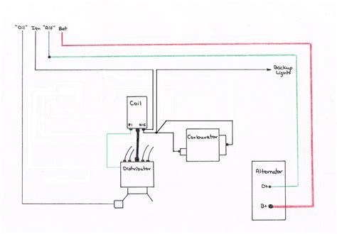
It reveals the elements of the circuit as simplified forms and the power and also signal connections in between the tools. Alternator supplied with alternator to battery upgrade wiring harness. Passenger vehicles heavy duty. The alternators positive and ground cables should be sized according to the chart on page 3. Put on lightweight protective rubber gloves before wiring your denso alternator. And connect the red wire to the output side of the alternator 1032 stud take the long wire and connect to the side of the coil.
Oex alternator innovation a e e d n v t n. Oex high output 240 amp alternator innovation a e t p d n g. Tach wire if needed and other necessary wiring. Oex alternators with a reputation built on quality and reliability the oex alternator range continues to grow to meet the needs of the australiasian car parc. Alternators that have one positive wire connected to the alternator has the ground connected to its case. In the past if the wrong alternator was purchased and a fault was showing an additional regulator was required.
If the voltage rises above or falls below 12 volts the alternators internal voltage increases or reduces power output to. Boasting the largest range of light commercial units to suit the australian and new zealand markets oex also powers. A wiring diagram is a simplified traditional pictorial depiction of an electrical circuit. The alternator has a rotor that spins when the engine cranks.













