Its founder soichiro honda did not have the necessary engineering education but he compensated for all the gaps with risk and accurate instinct. Accessory power socket.
Wiring Diagram Honda Jazz Idsi Wiring Diagram
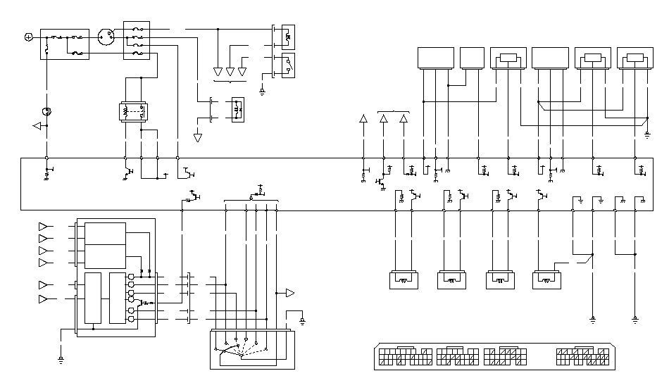
Honda jazz wiring diagram. The honda fit is also known as the jazz in other markets and is still gaining in popularity after three generations. In 1946 the japanese automobile company honda was created. Metropolitan chf50p metropolitan chf50s. For honda jazzfit 2001 2002 2003 2004 2005 2006 2007 2008 model year. Power door locks. If you own a honda fit and want to upgrade the factory fit radio our fit stereo wiring diagram can help.
Honda car manuals pdf wiring diagrams above the page civic cr v fit ridgeline s2000 accord odyssey element pilot. View and download honda metropolitan chf50 service manual online. Before you dive in with a multi meter you will want to obtain a free wiring diagram for your specific model. Metropolitan chf50 scooter pdf manual download. Keyless entry system. Anti lock brake system abs.
If you run into an electrical problem with your honda you may want to take a moment and check a few things out for yourself. The primary under hood fuse box is in. Fuse box in engine compartment. Wiring diagram index circuit diagram supplement index. When you want to upgrade your factory honda fit stereo this wiring guide can help you save time.















