Hero honda wiring diagram pdf motorcycle this is images about hero honda wiring diagram pdf motorcycle posted by peggy g. Hero honda splendor starting problem and missing solution हर हड सपलडर सटरटग परबलम ए duration.
02f171 Honda Accord Wagon Wiring Schematic Wiring Library
Hero pleasure wiring diagram. Motorcycle cdi unit wiring diagramबइक क cdi वयरग by mr. Basic electrical home wiring diagrams tutorials ups inverter wiring diagrams connection solar panel wiring installation diagrams batteries wiring connections and diagrams single phase three phase wiring diagrams 1 phase 3 phase wiringthree phase motor power control wiring diagrams. Hero motocorp is committed to not only enhancing the customer experience through its products parts and services but is also focused on reducing the total cost of ownership of a 2 wheelerthe pursuit thus includes the costs of acquiring installing using maintaining and replacing a product. The story of hero honda began with a simple vision the vision of a mobile and an empowered india powered. Hero pleasure scooty me currant na aye to kaise check kare. Whats people lookup in this blog.
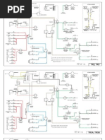
Honda ca160 wiring diagram t5 amf parts myrons mopeds hero spare parts motorcycle genuine original bike hero pleasure spare parts list accessories 2020 amf parts myrons mopeds. To fulfill this very objective the entire hgp. Hero pleasure hero pleasure hero pleasure hero pleasure. Wiring diagram 2011 hero honda pleasure 100 pleasure indicator buzzer wiring connection at hero 2011 honda pleasure 100 question. Hi anonymous for this scenario you will need your service manual that has all fastener torque specs and a wiring diagram on the back pages parts fiche and owners manual if you cant find the best tool you ever bought for your hero despair not for a mere zero 0 you can download another one. Hi anonymous for this scenario you will need your service manual that has all fastener torque specs and a wiring diagram on the back pages parts fiche and owners manual if you cant find the best tool you ever bought for your hero despair not for a mere zero 0 you can download another one.
We strongly recommend that you use hero 4 t plus to maintain optimum engine performance during extreme driving conditions. Hero 4 t plus conforms to international specifications of sae 10 w 30 sj grade specifications. Hero 4 t plus genuine engine oil is a premium quality engine oil engineered to meet the lubrication requirements of hero engines.

















