This is most appropriate for applications running between 10psi and 20psi of boost. Illustrated wiring diagrams for home electrical projects.
Graco Efr Manuals
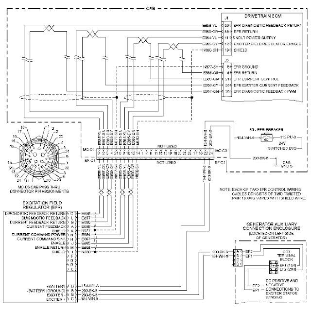
Efr wiring diagram. 20 l and 22 l diesel vin. Ranger ii compucharge scout fr cen aes chloride chargers wiring diagram covers most models. Residential electric wiring diagrams are an important tool for installing and testing home electrical circuits and they will also help you understand how electrical devices are wired and how various electrical devices and controls operate. Stay in the know. Wiring diagrams section 9 wiring diagrams 40 91 wiring diagram guide for fr liberty 40 and revolution charger models 92 wiring diagram guide for efr charger models 41 93 fr wiring diagrams 42 48 94 liberty wiring diagrams 49 55 95 revolution wiring diagrams 56 59. Cummins isx egr wiring diagram wiring diagram is a simplified pleasing pictorial representation of an electrical circuitit shows the components of the circuit as simplified shapes and the faculty and signal contacts between the devices.
Ruida rdc6442g ec controller 2 lens sa cw5000 chiller chuck type of rotary attachment russ dohickey sp ma meter a growing collection of tools and oddities to keep it running. What are the benefits of registering my frigidaire products. List of illustrations contents page. Please refer to the borgwarner catalog if the low boost or high boost canisters are needed as component replacements. E19616 on published by technical communications jaguar cars limited publication part number jjm 10 38 20 701 january 2007. Egr valve replaced and check engine light comes back on with p0405 check wiring at connector if ok try performing at battery static discharge disconnect both battery cable ends and touch cables together this discharges all ecu capacitors and resets adaptive memory.
V80118 80133 ruida controller. Store your product information and receive updates that will help you extend the life of your frigidaire appliances. Discover how to be more organized and efficient with great ideas inspiring articles and expert advice. Here i a shown a electric water heater geyser in which two heater element instill upper and lower. Efr liberty revolution ranger ii compucharge scout ferro charge ifr series includes. Take advantage of exclusive product promotions and special offers.
I need to see the fuse box diagram for a 1991 jeep. 80w efr f2 laser bed size. The efr turbo is supplied with a medium boost actuator canister. Electric water heater wiring with diagrams explanation in this post i am gonna to show some diagram form which you can learn how to wire water heater or you will be able to do the connection of water heater thermostat and element. Electrical guide x type sedan and estate wagon 20 l 25 l and 30 l gasoline.














