It consists of instructions and diagrams for various types of wiring methods as well as other products like lights windows and so on. Trend briggs and stratton ignition coil wiring diagram vintage briggs and stratton magneto wiring diagram wiring diagram contains many in depth illustrations that display the relationship of various products.
Wiring Problems For 18hp Intek Briggs And Stratton Lawnsite
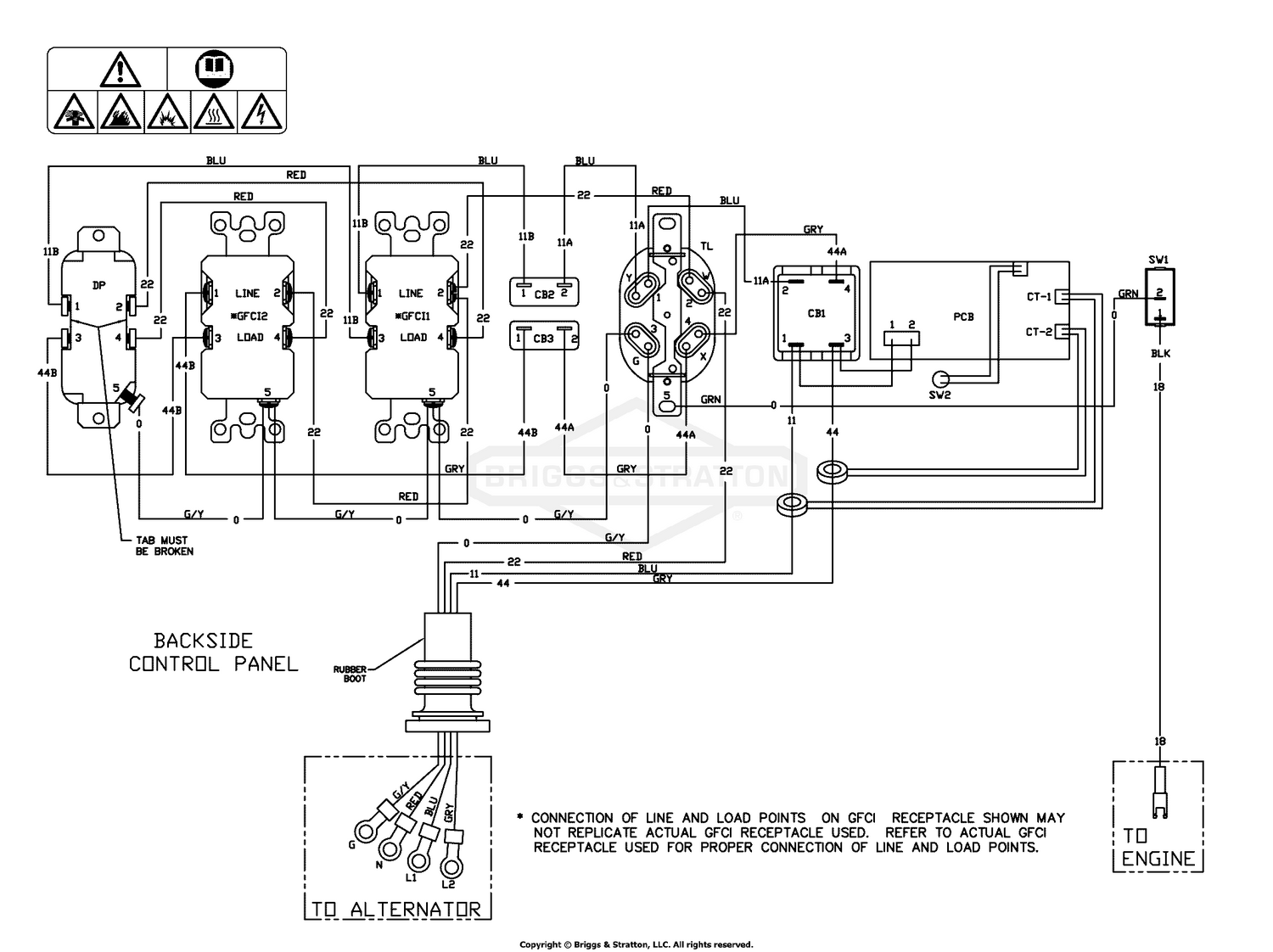
Briggs and stratton wiring diagram. In addition to wiring diagrams alternator identification information alternator specifications and procedures for the replacement of an older briggs stratton engine with a newer briggs stratton engine that utilizes a different style alternator output connector are also available in this guide. Wiring diagram for briggs and stratton 18 hp readingrat size. If you are replacing or rebuilding parts of the small engine on your lawn mower snow blower or other outdoor power equipment the basic schematics or wiring diagrams of our alternator systems are available in our guides below. It shows the components of the circuit as simplified shapes and the facility and signal associates between the devices. For a more detailed schematic specific to your piece of equipment your best source of. For briggs stratton discount parts call 606 678 9623 or 606 561 4983.
How electrical system is wired for briggs and stratton briggs stratton service manual httpsebayto2lh1mmn. 800 x 600 px source. Briggs stratton sells electrical components only for engines. 800 x 600 px source. This makes the procedure for building circuit easier. Tractor wiring schematics for brigs amp straton auto electrical briggs and stratton charging system wiring diagram.
Briggs and stratton electric start wiring diagram wiring diagram is a simplified gratifying pictorial representation of an electrical circuit. Itll also include materials you might have to full simple assignments. Carlplantme wiring diagram for ride on mower annavernon readingrat size. Wiring diagram contains each illustrations and step by step instructions that would enable you to really develop your project. On the other hand the diagram is a simplified variant of the arrangement. Normally open momentary switch.
When key switch is turned closes to start engine and energizes solenoid releasing key switch opens switch solenoid de energizes. Wiring diagram for briggs and stratton 18 hp readingrat net size. 800 x 600 px source. Briggs and stratton power products 030638 00 8000 watt briggs briggs and stratton wiring diagram the diagram offers visual representation of an electric structure.















