I am familiar with s plan but cant work out how to do it with this boiler and the vaillant manual whilst very good on the gas side is a bit lacking electrically the boiler needs l n e from the wiring centre no problem. Filling and purging the heating installation.
Vaillant Boiler Manual Ven 5 6 U Plus Int
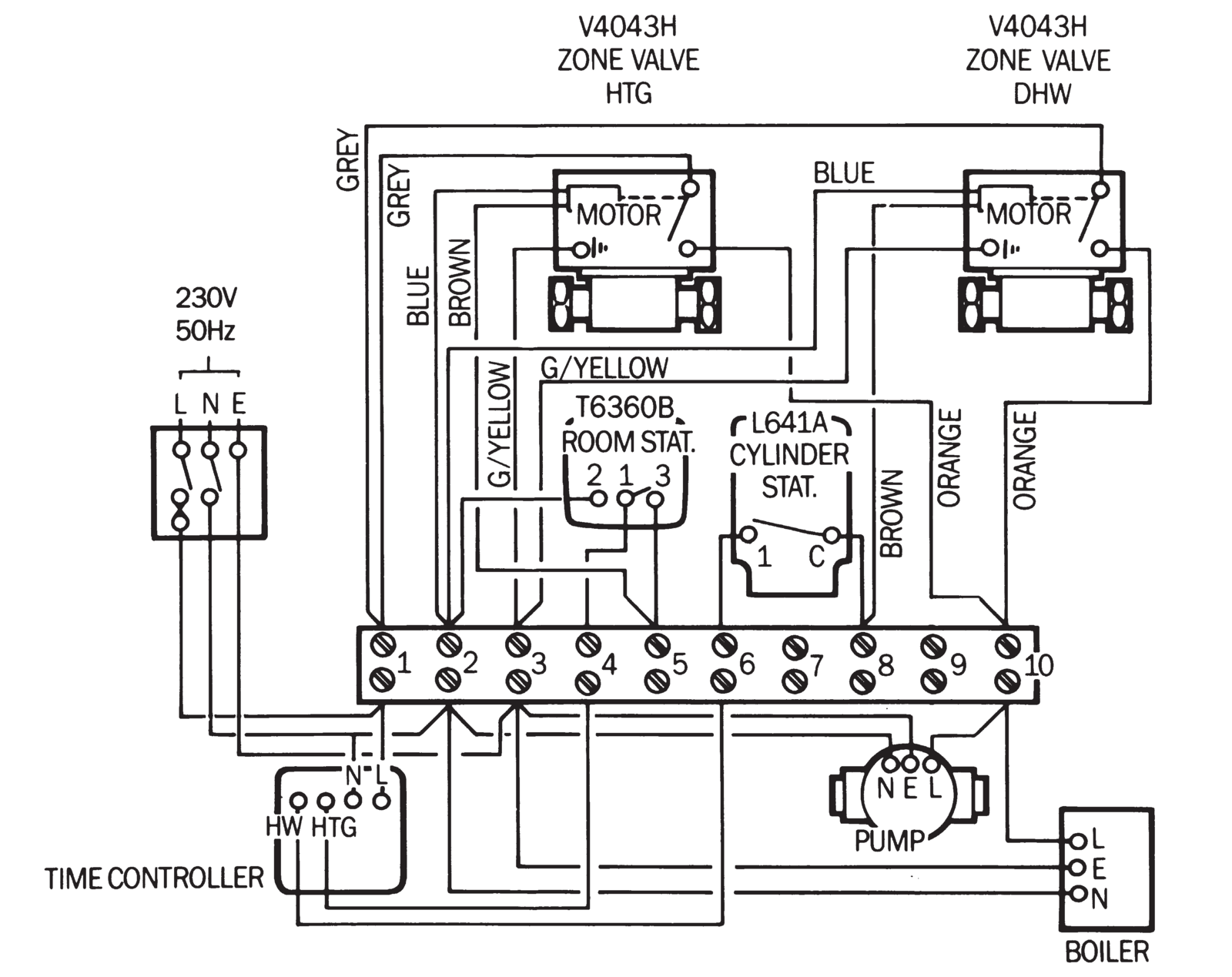
Vaillant ecotec plus wiring diagram. We have 1 vaillant ecotec plus vu 120 manual available for free pdf download. Dec 05 s plan heating system. A plumber friend of mine has asked for some help wiring up a vaillant ecotec system boiler in an s plan configuration. The ecotec plus range of system boilers is available in a wide range of output models including 12 15 18 24 30 and 37kw meaning that there is a suitable model for almost any home. Jan 29 vaillant ecotec plus to s plan. Preparing the heating water.
Connections are different to what im used to. Ive been asked to connect the mains supply and room stat to the new valliant combi boiler. Sep 27 i have very little experience wiring boilers and will be required to wire a on the wiring diagram there is a connecton called rt for v. Discussion in plumbing and central heating started by and i suggest you spend some time learning how the electrics work rather than just following a diagram. Installation and maintenance instructions ecotec plus table of contents. Installation and maintenance instructions manual.
Save time and money with quick easy installation and fast effective maintenance. Cut your energy bills by optimising the condition of your heating water. Am i correct that the room stat connects to the rt terminal next to the 230v terminals. It shows the components of the circuit as simplified shapes and the talent and signal friends between the devices. Connecting the heating flow and heating return hi i am rick uk plumber and i specialize on boiler problems the s plan hardly requires a diagram if you are using honeywell valves then. Extended 10 year guarantee available on our ecotec plus up to 45kw and ecotec exclusive boilers when installed and registered by a vaillant advance installer.
Vaillant ecotec plus wiring diagram wiring diagram is a simplified enjoyable pictorial representation of an electrical circuit. The stylish design and small dimensions also make it a perfect fit with any home. New eco tec plus combi boiler wiring evening all. Offline vaillant boiler wiring diagram.















