Tr250 tr6 wiring diagrams confused about the wiring on your tr250 or tr6. The tr6 wiring diagram appears to be wrong about starter connections.
Terry Macdonald
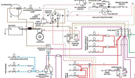
Triumph tr6 wiring diagram. The image below shows these connections correctly. Triumph tr250 tr6 wiring diagrams. Triumph tr6 wiring diagram keywords. Electric fan on a triumph tr6 with wiring diagram and notes from dan masters task. Triumph tr6 wiring diagram created date. Triumph tr6 wiring diagram wiring diagram is a simplified agreeable pictorial representation of an electrical circuit.
Spitfire gt6 tr7 tr8 tr6 tech tr5 tr250 tr4 tr4a tr2 tr3 buy sell trade vendor market triumph performance the pub off topic herald vitesse stag 2500 2000 roadster pre war triumph odds ends list archives motorsports meetup. Follow this link to check out the wiring diagrams. Tr 250 f ind w1 c1 w2 c2 p c4 b l 1 4 3 hazard switch t u r n s i g n a l s w i t c h turn signal flasher t s i n d i c a t o r hazard relay hazard flasher lh rear lh front rh front rh rear b l b f starter starter solenoid battery ammeter lighting switch alternator alternator regulator. Tr 2 3 4 wiring diagrams. Replacing the mechanical cooling fan with a sucker. Tr6 1969 automobile pdf manual download.
Tt the true story. Tr 6 wiring diagrams note. 1981 tr7t tiger trail. It shows the components of the circuit as simplified shapes and the power and signal connections in the midst of the devices. Triumph tr65 road tests. 1960 62 t110tr6t120.
Seems odd to just have a wire unconnected. Triumph tr6 wiring diagram subject. Tr250 tr6 1970 tr6 1971 tr6 1972 tr6 1974 tr6 1973 tr61975 tr6 1976. After market regulator wiring diagram. The diagram for the 1971 tr6 doesnt show the brown wire but there is a brownred one so i think ill leave it unconnected like it was on my original wiring. Removal and rework of a flywheelring gear assembly.
View and download triumph tr6 1969 wiring diagrams online. Rebuilding the triumph tr transmission and overdrive. 1937 9 lucas magdyno diagram.















