Download the app and login using your existing texecom registered installer login credentials. I have installed a texecom premier elite 24 control panel with a wired 8 zone expander a ricochet 8 zone expander.
Installing A Proper Burglar Alarm Texecom Premier Elite 64 W Kit 0002
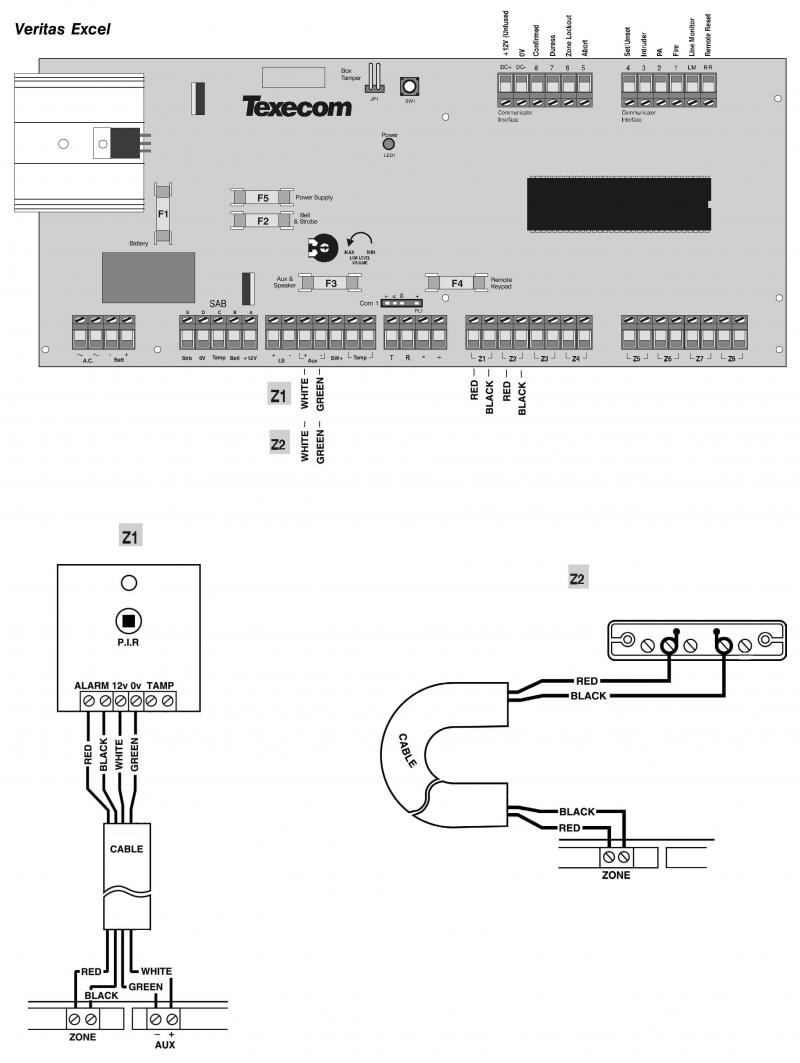
Texecom premier elite wiring diagram. For safety reasons each texecom sounder and strobe unit incorporates a unique patented engineer hold off mode. Installation the premier elite 8xp expander is only compatible with the premier elite range of control panels. Premier elite 2424 w 4848 w 88 168 640 installation manual system overview. Electronic home project 28311 views 1837. The premier elite comport adds an additional serial communications port com 3 to premier elite control panels firmware version v3 and above. Ins176 9 5 25 amp power supply.
Premier elite 8xp installation manual 2 ins179 5 1. Premier elite am360 dt grade 3 anti masking dual technology ceiling detector. This mode prevents the unit from self activating during installation and maintenance thereby allowing only bona fide engineers access to the unit without any loss of tamper protection. Premier elite 24 control panel pdf manual download. This expansion pcb simply converts the existing communications connector into a serial communications port by plugging directly into the on board communications connector. Premier elite odyssey 3 fcc1970 metal odyssey 3 fcc2084.
Expanders can be connected serially daisy chain in parallel star or any combination of the two. 13 installing the unit. Wiring diagram to connect texecom hooter to alarm panel batt wired hooter pcb jp1 jp2 jp3 on off lc sab scb on off step 2. Premier elite 168 fmksmk. The other pirs go to the elite 24 control panel. View and download texecom premier elite 24 installation manual online.
Premier elite 48 w premier elite 88 premier elite 168 premier elite 640 premier elite 24 w premier elite 48 premier elite 12. My question at this point is if im wiring the pirs as eol 2 wire do i have to use the resistors on the pirs. Burglar alarm unboxing raspberry pi home automation texecom premier elite 24 panel duration.














