A wiring diagram is a streamlined standard photographic depiction of an electric circuit. Stamford avr as440 wiring diagram wiring diagram is a simplified all right pictorial representation of an electrical circuit.
Advr 440 Direct Replacement For Newage Stamford As440 And
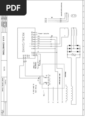
Sx440 avr wiring diagram. 9 13 disconnect all the leads from the sx440 avr. It reveals the elements of the circuit as streamlined forms as well as the power and signal connections in between the tools. All stamford generators are supplied with a declaration of incorporation for. Sx460 automatic voltage regulator avr specification installation and adjustments general description technical specification sx460 is a half wave phase controlled thyristor type. 14 unscrew the 4 avr fixings and remove the avr. Self excited compatible with newage sx residual voltage at avr terminal 5 vac wiring.
Sx440 generator automatic voltage regulator operation manual self excited automatic voltage regulator compatible with newage sx440 use for reference purpose only and not a genuine newage product. Sx440 is a half wave phase controlled thyristor type automatic voltage regulator avr and forms part of the excitation system for a brush less generator. It shows the components of the circuit as simplified shapes and the talent and signal contacts in the company of the devices. Stamford sx460 automatic voltage regulator. Sx generator automatic voltage regulator. 12 make sure that all the existing avr connection leads fig 1 are clearly identified.
Show footer hide footer. Stamford mx322 automatic voltage regulator. Refer to generator wiring diagram for connection details. Stamford sx440 avr wiring diagram. Fitting and operating tdsx460 avr gb040506gb. Keep the screws for use with the new avr.
11 remove the appropriate covers to gain full access to the avr and its mounting plate. Collection of sx460 avr wiring diagram. Tdsx440gb050302 sx440 automatic voltage regulator avr specification installation and adjustments general description technical specification sx440 is a half wave phase controlled thyristor type automatic voltage regulator avr and forms part of the excitation system for a brush less generator. Field input external switch terminals. Under frequency roll off ufro adjustment. Field input external switch terminals.
Sx440 automatic voltage regulator avr specification installation and adjustments general description the sx440 is a half wave phase controlled thyristor type automatic voltage regulator avr and forms part of the excitation system for a brushless generator. 1 2 in addition to regulating the generator voltagethe avr circuitry includes under speed and sensing loss protection features. Newage dm710 digital excitation control system.
Gallery of Sx440 Avr Wiring Diagram













