Ssangyong rexton service repair manual chassis pdf. The original name of the company ssangyong motor sounded like ha dong hwan it appeared in 1954 producing jeeps for the us army.
Ssangyong Car Alarm Amp Anti Thief System 06 02 26
Ssangyong rexton wiring diagram. Page 3 internal circuit of component. How to read electrical wiring diagram 1 how to read electrical wiring diagram 2 contents of electrical wiring diagram circuit position explanation a upper horizontal lines. It is based on the mercedes benz m class w163 platform. Ssangyong rexton service repair manual pdf. Ssangyong rexton y220 200404 service manual and wiring diagram. The ssangyong rexton is a mid size sport utility vehicle suv manufactured by the ssangyong motor company in since late 2001.
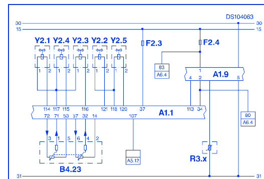
Symboldescriptiona11engine control unita19glow control unita512ac control unita64immobilizer control unitb423accelerator pedal pos. Wiring harness connectorground rexton 200709. Sensorf23fuse 3 fuse box 2f24fuse 4 fuse box 2r3xglow plugsy21injector cylinder 1y22injector cylinder 2y23injector cylinder 4y24injector cylinder 4y25injector cylinder 5 ssangyong rexton 2005 electrical circuit symbol map related diagrams. How to read electrical wiring diagram. Ssangyong rexton y220 200404 service manual and wiring diagram. In addition to the buses they began producing suvs as well as.
Power supply lines power supply lines. Rexton 2007 automobile pdf manual download. Ssang yong actyon rexton fault codes dtc. Ssangyong rexton rhd electrical wiring diagram pdf. Power supply lines power supply lines. Ssang yong car manuals pdf above the page korando musso rexton stavic.
Ecuelectronic control unite28 e32 1 2002 model 1 ovpr fuel pump canister purge valve pedal module circuit ssangyong rexton xdirhd electrical wiring diagrams 5 29 2 spark plug sensorcam shaft position ntc crank shaft position throttle motor sensor knock cam shift actuator resonance flap circuit ssangyong rexton xdi. Connectorground 8201 00 3 connector ground splice pack information connector connectorground. Ecu electronic control unit e28 e32 1 2002 model 1 ovpr fuel pump canister purge valve pedal module circuit ssangyong rexton xdi lhd electrical wiring diagrams 5 29 2 spark plug sensor cam shaft position ntc crank shaft position throttle motor sensor knock cam shift actuator resonance flap circuit ssangyong rexton. Ssangyong rexton 2008 misc documents electrical wiring diagram 110 pages free ssangyong rexton 2008 misc documents electrical wiring new rexton y285 107. Ssangyong rexton rhd electrical wiring diagram pdf. View and download ssangyong rexton 2007 manual online.
In 1966 the company began to export buses to brunei and in 1967 in vietnam. How to read electrical wiring diagram 1 how to read electrical wiring diagram 2 contents of electrical wiring diagram circuit position explanation a upper horizontal lines. 30 15 15a. Ssangyong rexton rhd electrical wiring diagram pdf. Ssangyong rexton y270 200709 service manual and wiring diagram ssangyong rexton workshop manual 2006 2012 ssangyong korando sales brochure 2010 2015.















