Sadelta echo master plus classic 1991 nostalgia microphones the sadelta echo master plus classic is an electret base station microphone with amplifier and this one was manufactured in the 90s by sadelta of. 28112019 hey guys as the title says i have a echo master plus i got in a grab box of stuff at a swap.
Sx 2087 Sadelta Mic Wiring Diagram Free Diagram
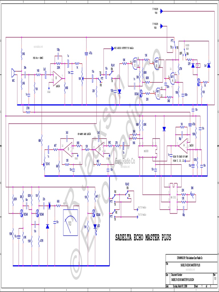
Sadelta echo master plus wiring diagram. Jan 3 2010. President hr2510 sadelta echo master pro youtube. From what i can tell it has had a new cord a new mic element and the battery connector has been ripped out and re soldered in what appears to be a few different places. Five conductor shielded strandard astatic color coded cable with 4 pin standard cobragalaxy wiring connector echo and modulation sliders roger beep onoff switch. Mic wiring technical reference. Im looking for either pictures or diagrams for a sadelta echo master plus classic circuit board a few of the wires inside were disconected when i purchased the mic and id like to repair it can any one help.
11 most popular mic wiring diagrams including azden alinco icom. Thanks a million 1 canolli mar 27 2012. Sadelta schematic courtesy of rick jackson euro radio co. Galaxy echo master mic wiring diagram. Microphone connections iw5edi simone ham radio. Nice mic and radio not bad for a corner in the house.
















