Bullet 350cc bullet 50occ. This mans affairs did not go very well until he bought a wooden bicycle in 1880 with rigid iron rims.
2016 Royal Enfield Bullet 500 B5 Wiring Diagram Stdal Nlpr
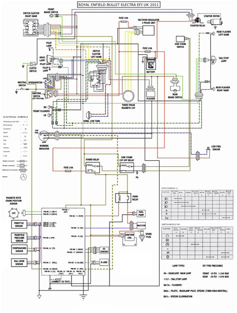
Royal enfield wiring diagram pdf. Royal enfield classic 350 cc engine motorcycle has all the qualities of a typical royal enfield. Some royal enfield motorcycle manuals pdf are above the page. Emission control system warranty noise control system warranty. View and download royal enfield bullet workshop manual online. The famous british brand royal enfield began to emerge in the second half of the 1980s when no one knew george townsend opened a business for the production of conventional sewing needles. Royal enfield efi 2011 wiring diagram by scalyback circuit diagrams by steve thackery nottingham uk extracted from the wiring diagram this is not an official royal enfield document.
Page 3 prefa a a a a ce pref pref we are pleased to release this workshop manual for the new generation of royal enfield motorcycles fitted with unit construction engine electronically controlled engine management system and fuel injection technology. Fault codes list royal enfield workshop manuals pdf motorcyclemanualsinfo motorcyclemanualsinfo. It is compiled by royal enfield enthusiasts for the common good and may contain errors. Royal enfield bullet 12v acdc x x. Colour wiring diagram enfield 12v acdc author. Royal enfield motorcycles workshop service manuals owners manual parts catalogs wiring diagrams free download pdf.
Classic 500 motorcycle pdf manual download. Wiring diagram wiring diagram. Download classic 350 signals. Page 65 warranty terms conditions b components like fuel filter oil filter paper element control cables brake shoes brake pads clutch plates drive chain sprocket kit which are. Royal enfield re warrants classic 350 motorcycle to be free from manufacturing and material defect under normal use subject to following conditions. If you do find a mistake please help others by reporting it via email to.
Explore features specifications colours reviews images and more about classic 350 bike. We have endeavoured to make this manual user friendly. Royal enfield motors warrants the first owner and each subsequent owner that this motorcycle is designed and built so as to conform. Bullet motorcycle pdf manual download. Royal enfield re warrants classic 500 efi motor cycle to be free from manufacturing and material defect under normal use subject to following conditions. Page 79 warranty b components like fuel filter oil filter element control cables brake shoes clutch plates which are subjected to normal wear and tear.
Abs wiring diagram. Royal enfield classic 350 signals get overview of classic 350 signals including colours specification reviews gallery.














