Hi all i want to sort out some messy wires on a 1988 jcb 3cx. Hello everyone i urgently need a wiring diagram for a 1988 jcb 3cx backhoe.
834f588 Jcb 3cx Starter Motor Wiring Diagram Wiring Resources
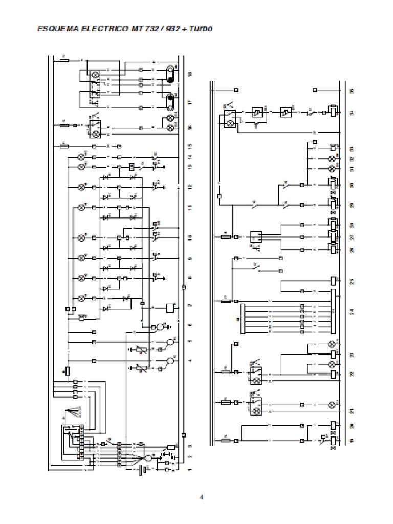
Jcb 3cx wiring diagram. Search for jcb wiring diagrams here and subscribe to this site jcb wiring diagrams read more. Jun 25 2016 1. Can you assist looking for electric wiring diagrams including dash board jcb 3cx the following numbers are legible on name plate 3cx393668p. 15287 05175 2wheel drive model 15. I also need to know the fuses layout what the ratings are. Jcb 3cx 4cx fuse box diagramjan 16 jcb 3cx wiring diagram.
Jcb pdf jcb 3cx 4cx eco operators manual for the backhoe loader jcb 3cx pdf. I have downloaded the manual from the download section but this seems to be forjul 01 hello everyone i urgently need a wiring diagram for a jcb. Post by oflynno sat jul 02 2016 1212 am. 1988 jcb 3cx wiring diagram. Jcb 3cx 4cx fuse box diagram. Does anyone have a wiring diagram they can share.
Jcb 3cx wiring diagram needed discussion in repair technical discussion started by oflynnp jun 25 2016. Jcb pdf service manuals fault codes and wiring diagrams. Electric gear shift fault posted by anonymous on jan 16 if you were looking for jcb 3cx parts jcb loader backhoe l t spare parts trx parts excavator i would like you. The relays and fuses are located in the side console underneath cover a. Does anybody have a wiring diagram for an f plate 3cx. Jcb 3cx fuse box diagram.
It will not drive forwards or backwards and i want to check all the wires from on top of the. The relays and fuses are located in the side console underneath the cover. Find your jcb wiring diagrams here for jcb wiring diagrams and you can print out. Raymond stewart tuesday 25 february 2020 2121.

















