View and download inkbird itc 100 user manual online. A wiring diagram is commonly made use of to troubleshoot troubles as well as making certain that all the connections have been made as well as that everything.
F169b2 Pid Controller Wiring Diagram For Heat Wiring Library
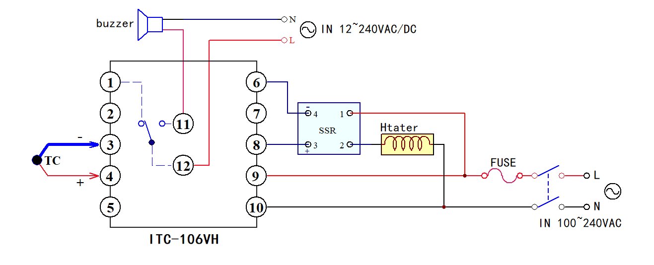
Inkbird wiring diagram. This is the most basic method and will. 9 and 10 terminals are for power connecting which its supply voltage should be match the item model. Read the instruction manual carefully before use for right application and maintenance. If you know how to translate it wiring everything up is quite simple. Inkbird is a company which dedicates its passion in producing and marketing of intelligent home automation products. How to wire a inkbird itc 1000 for use in a keezer bonus wiring diagram included.
Pid wiring inkbird itc 100vh discount offer duration. This video describes the inkbird itc 106vh pid and how to wire it for your system. Safety precautions ensure the product using within the specification. Do not touch the terminals at least while power is being supplied. Wiring diagram 2 wires sensor 3 wires sensor thermocouple output relay output voltage power connection. Itc 100 controller pdf manual download.
There are many ways to wire these since they have many different function. Here you can download our latest user manuals drivers and other supporting materials from inkbird support department. Lets start with the temperature sensor. If you are using a 3 wire sensor then it connects to terminals 3 4 and 5. In the instruction manual for your pid and possibly on a sticker on the case will be a wiring diagram like the one above. A pictorial diagram would reveal much more detail of the physical look whereas a wiring diagram makes use of a much more symbolic symbols to stress interconnections over physical look.
Due to system maintenance problems the chart function in inkbird pro app is temporarily unavailable. Itc 1000f temperature controller manual thank you very much for selecting inkbird products.


%20wiring%20diagram1.jpg)














