Figures f to connect the wireless relay box to your. Our wiring diagrams section details a selection of key wiring diagrams focused around typical sundial s and y plans.
Where Can I Find A Coloured Wiring Scheme For S Plan And Y Plan
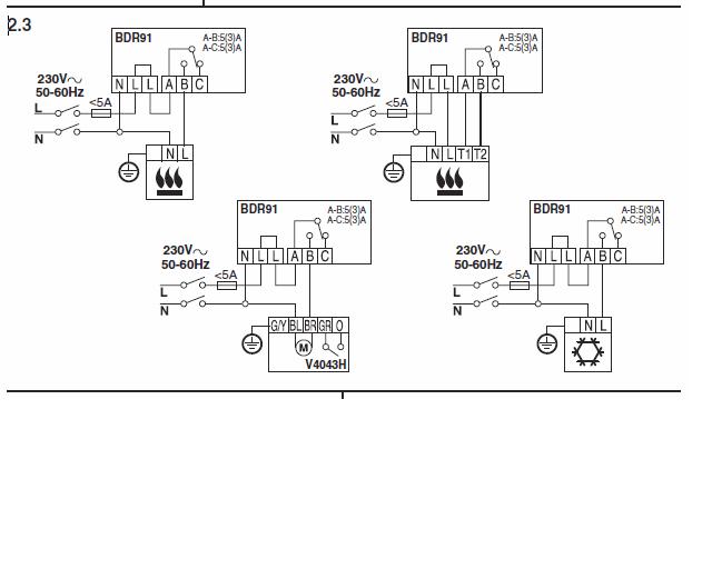
Honeywell bdr91 wiring diagram. Honeywell reserve the right at any time and without notice to change any. I am trying to fit a honeywell cm927 pand bdr91 thermostat for a worcester greenstar 28i combi boiler. Honeywell wi fi thermostat heat pump wiring diagram of wifi wiring diagram image source. As you can see it has a connections for t1 and t2 however the bosch boiler doesnt have these terminals. Page 1 installazione telepítés montáž instalacja inštalácia the bdr91 is a wireless relay box that can be used to switch valves pumps boilers or other heat sources as part of the range of honeywell 868mhz radio frequency rf heating controls el bdr91 es un módulo receptor inalámbrica que puede utilizarse para conmutar válvulas bombas calderas u. Contains all the essential wiring diagrams across our range of heating controls.
The n goes to neutral. Wiring centre 31 re binding of wireless products 32 34 opentherm 34 other information training and further information 35 these wiring diagrams are for guidance only and at the time of publication represent the latest information available to us from other manufacturers. The bdr91 needs to have a permanent neutral and live supply connected to terminals n and l. Heating zone valve bdr91 wireless relay box turning on at the same time as the hot honeywell wiring diagrams for the correct wiring of bdr91s for combibdr91 to your boiler zone valve or sundial valve 1 ount the wireless relay box on a non metal surface at least m 30cm from your boiler other wireless device or metal objects 2 elease the clip on the bottom to open the front coverr 3 ollow the wiring diagram see appendix. Figures f 5 10 to connect the wireless relay box to your. Bdr91 to your boiler zone valve or sundial valve 1 ount the wireless relay box on a non metal surface at least m 30cm from your boiler other wireless device or metal objects 2 elease the clip on the bottom to open the front coverr 3 ollow the wiring diagram see appendix.
If its 230v then link the 2nd l to a and b to the 230v switch. Bdr91 to your boiler zone valve or sundial valve 1 ount the wireless relay box on a non metal surface at least m 30cm from your boiler other wireless device or metal objects 2 elease the clip on the bottom to open the front coverr 3 ollow the wiring diagram see appendix. Figures f 5 10 to connect the wireless relay box to your. S plan heating system wiring diagram download inside boiler image source. Gb the bdr91 is a wireless relay box that can be used to switch valves pumps boilers or other heat sources as part of the range of honeywell 868mhz radio frequency rf heating controls e la bdr91 es una caja de retransmisión inalámbrica que puede utilizarse para conmutar válvulas bombas calde. This is the wiring diagram for the bdr91 relay box.
Wiring diagram for honeywell bdr91 gallery. If volt free then just take a b to the volt free switching connections. The honeywell home trademark is used under license from honeywell international inc.









