This schematic was designed specifically for the 2003 2005 models but is useful for others too. Navigate your 2011 honda ruckus nps50 headlight schematics below to shop oem parts by detailed schematic diagrams offered for every assembly on your machine.
Bdx Honda Ruckus Wiring Diagram Grabe May Rmnddesign Nl
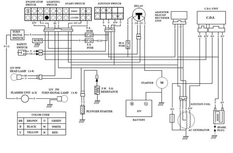
Honda ruckus headlight wiring diagram. Motorcycle headlight wiring diagram new honda ruckus wiring diagram honda shadow wiring schematic example electrical wiring diagram u the best installation guide for the best honda ruckus gy6 swap harness. Important covid 19 notice. I also did not make this wiring diagram. I dont know much about any scooters other than the honda ruckus. Click here to view a complete wiring diagram for the honda ruckus and zoomer scooters. The webs most trusted source for 2007 honda ruckus nps50 parts.
Wiring diagrams load cut relay starter engine stop switch turn signal relay ignition switch right rear turn signal light braketail light left rear turn signal light 12v 23w 12v 271bw 23w 1 5 o o s g w 12v 17w glai cool amt temperature indicator speedometer assembly led drive unit horn switch lg ignition coil spark plug fuel reserve led. Honda ruckus wiring diagram 4a9b53 honda ruckus 49cc wiring diagram resources nps50 wiring diagram kaget www kultur im revier de c50 bdx honda ruckus wiring diagram. Don t remove the wiring for the headlights or horn. During this difficult time we are working hard to maintain our service. Please do not email me asking for wiring diagrams. Please do not email me asking for wiring diagrams.
Use our comprehensive oem schematic diagrams to find the exact parts you need to get the job done and get riding.
















