4ova tmwbjwtw modd pmtao internal wiring diagram checkout procedure 1. Displays with indication of.
Auto Start Control Panel Clt 01
Himoinsa m6 controller wiring diagram. Since the use of this diagram and the conditions or methods of installation operation and use are beyond the. Some of the features are. Drawing on more than two decades of experience in designing and manufacturing advanced control systems for generator sets himoinsa is incorporating these new. To select the voltage that will be visualized in display 1. 4ova lmmtomu mol pmt 40 24v. Check for 24 volts ac.
The hipower cem7 is an auto start digital controller which is equipped on himoinsa hipower generator sets. Electronic rd department 3. If there is no voltage or less than 20 volts ac check the. Himoinsa auto start control panel m7. The device consists of 2 different modules. In addition to an alarm codes chart the following elements are found on the frontal part of the cmd20 protection control and visualization device.
The visualization module provides information about the status of the device. Himoinsa offers controllers for diesel generators as well as other controllers especially for gas generator sets. The switchboard shows the volt. Communication option by digital outputs 97. Across terminals 1 and 2. Generator controller manufacturerscomap generator controller manualcomap controller pricecomap controller manual pdfig nt bbcomap ig ntcselco c6200selco relayauto synchronizing relay.
Wiring diagrams 95 15. Phase to neutral voltage voltage between phases current amps per phase frequency power factor kw and kva outputs fuel level engine speed hours. Engine alarms generator alarms and alarm customization. The cem7 controller is a monitoring system for the gensets electrical signal wich. Himoinsa manual cem 6 pro v17 1 1. Introduction the cem6 control board is a monitoring network signal and monitoring and control generator feeding device.
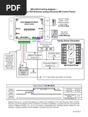
Control panel model ard pc modd ard pc taol a tew ew park. And himoinsa logo are himoinsa trademarks in spain and other countries. Himoinsa develops control units for gas powered generator sets. M6 generator set control. Provides this diagram to assist in the installation of the auto generator start controller. A himoinsa designed manufactured microprocessor controller with a manual or auto start selection switch with push button reset.
Control panel and protection with a three position key and an auto start function possibility of starting the engine manually or automatically by using free voltage contact. Me ags n wiring diagram for hardy diesel hdyw series using himoinsa m6 contol panel 8 19 2011 magnum energy inc. 0 m6 il m6 24v. The new controllers have been programmed with a special start up and stop sequence to ensure enhanced installation safety.















