047 mb ft550 8cil smart coilversion. We have actually collected several pictures hopefully this photo serves for you and aid you in discovering the response you are trying to find.
6f3cf25 Fuel Injector Wiring Diagram 3 1v6 Chevy Wiring
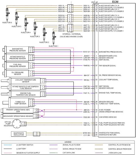
Fuel injector wiring diagram. Fast is the leading developer of electronic fuel injection systems efi components intake manifolds tuning tools for high performance and street applications fast wiring diagrams javascript seems to be disabled in your browser. Wiring diagrams wiring diagramsversion. Fuel injector wiring diagram all wiring diagram data fuel injector wiring diagram. 49 mb 4122016 ft450version. 2000 jeep cherokee fuel injector wiring diagram welcome to my site this message will certainly review about 2000 jeep cherokee fuel injector wiring diagram. The electrical connection to the fuel injector may be hampered by shorts in the wiring inadequate voltage at the injector plug or incorrect resistance in the fuel injector.
Return to the table of contents for the datsun fuel injection manual click images to view full size versions of each page. The following pages contain the wiring diagrams for the 1975 1980 datsun 280zx 810 and 200sx. Order fuel injection wiring harness for your vehicle and pick it up in storemake your purchase find a store near you and get directions. It consists of directions and diagrams for various types of wiring methods and other things like lights home windows and so on. Your order may be eligible for ship to home and shipping is free on all online orders of 3500. Check here for special coupons and promotions.
Fuel injectors are attached to the fuel rail. The solenoid is engaged when a 12 volt current is provided by the electronic fuel injection system. Efi troubleshooting with kentmoore j25400 analyzer. Wiring diagram consists of numerous comprehensive illustrations that present the connection of various products. Each component should be placed and connected with other parts in particular way. Fuel injector wiring diagram 300zx fuel injector wiring diagram bmw fuel injector wiring diagram fuel injector wiring diagram every electric structure consists of various distinct pieces.
052 mb ft550 6cil. Learn to test and analyze automotive fuel injector circuits from a wiring diagram perspective. It is very time consuming to detect and prove a clogged. Otherwise the structure wont work as it ought to be.













