This list is to aide in the wiring process. We get a lot of people coming to the site looking to get themselves a free pontiac fiero haynes manual.
Fiero Tail Wiring Diagram
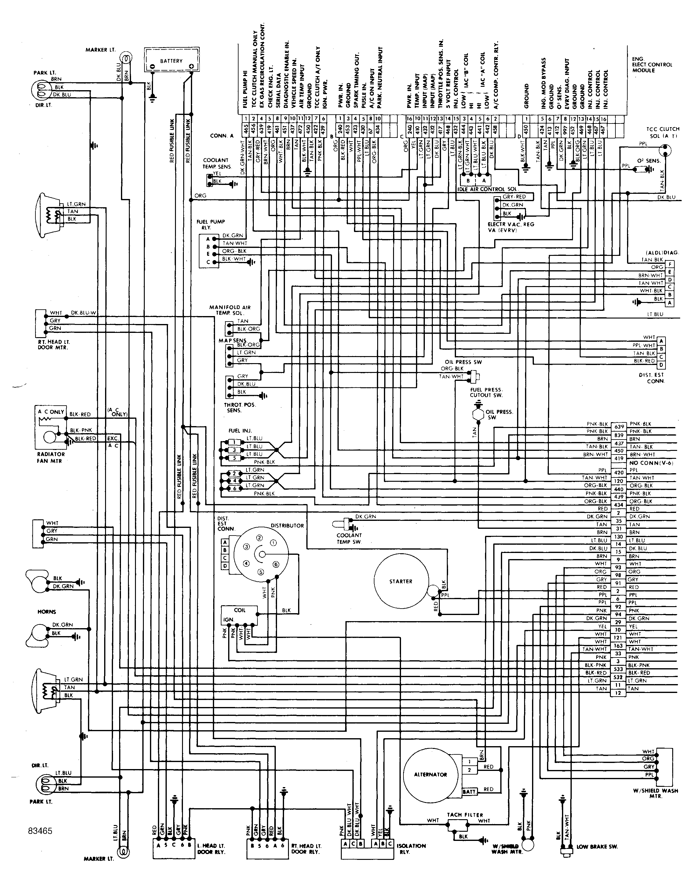
Fiero wiring diagram. 025 ecm wiring diagrams 1984 pontiac fiero 4 151 25l. Computer command control fuel pump relay pressure switch parking side marker license plate illumination turn signal flasher back up light fuel injection stop light switch hazard flasher warning chime heater air conditioner rear defogger switch brake switch horn relay dome. This website contains a compilation of information already available elsewhere on the internet and. Pontiac fiero wiring diagrams. Disclaimer brand names and product names are the property of their respective owners. To the best of my knowledge all of the info below is correct.
Wiring schematic for the engine donor. Firstly its illegal and secondly. Youll need to decide how you will be connecting the wires and how you will be insulating each connection. This circuit and wiring diagram. 024 ecm wiring diagrams 1984 pontiac fiero 4 151 25l. All circuits should be verified before any connections are made.
1985 pontiac fiero 28 liter fuel pump wiring diagram 23 kb pontiac fiero gt charging system circuit 47 kb sponsored links. There are two things you need to know. I have provided schematics for the fiero and several other popular engine donors via the links below. Looking for a free pontiac fiero haynes pontiac fiero chilton manuals. Rendered in 00196 seconds. Fuse panel layout diagram parts.
Pontiac fiero wiring diagram has been viewed 2548 times which last viewed at 2020 06 17 052318 and has been downloaded 14 times which last downloaded at 2017 11 09 183629 uploaded by peyton on 17 mar 2014. Tools and materials for making connections. 84 88 pontiac fiero fuse box map. 84 out of 100 based on 294 user ratings the pontiac fiero wiring diagram can be download for free. This is a list of all the connections that are needed to tie into the fiero electrical system when doing an engine conversion. This information outlines the wires location color and polarity to help you identify the proper connection spots in the vehicle.
Black connector vin r vin 2 fig. Wiring schematic for the fiero. Listed below is the vehicle specific wiring diagram for your car alarm remote starter or keyless entry installation into your 1987 1988 pontiac fiero. Radiator fan ac trunk release door ajar pulse wiper cruise starter alt alternator engine ecm. C203 c500 fiero wiring information. 84 88 pontiac fiero fuse box diagram.
1984 fiero electrical diagrams keywords. 25l vin r cooling fan circuit one speed w ac heavy duty cooling 1986 pontiac fiero gt 1986 system wiring diagrams pontiac fiero.














