Example eec wiring diagram fords electronic engine control eec iv is basically the same as the earlier types of eec systems. Jump to latest follow 1 16 of 16 posts.
Electronic Engine Control Eec Gary S Garagemahal The
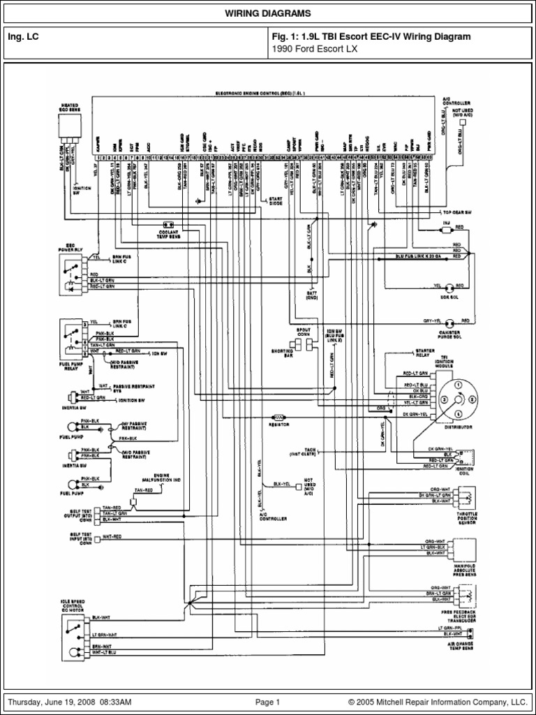
Eec iv wiring diagram. Eec iv to edis wiring diagram. The brains of the system is the powertrain control module pcm also known as the processor. Pin no wire colour purpose voltage. The eec iv computer module is easily identified by its three rows of pins on the main plug. Discussion starter 1 jan 14 2015. The differences are a memory easier diagnosis and some redesigned parts.
The wiring diagram for a cruise control system may be included in accessories equipment section for the specific vehicle manufacturer and the wiring diagram for an anti lock brake system may be included in brakes and wiring diagrams for the specific manufacturer. 11 not used 12 not used. 1 not used 2 not used 3 not used 4 not used 5 not used 6 not used 7 engine coolant temp 20c 31v 40c 22v 100c 05v. Been reading and looking for wiring diagram to wire a edis to my 93 gt eec iv a9l computer gonna be doing a eaton swap an wanna use edis with my stock computer. Ford eec iv and eec v technical notes. Pin no wire colour purpose voltage.
Ford eec iv connector pinout. Ford eec iv technical notes. 8 not used 9 not used 10 airconditioning clutch on 0v aircon off 12v aircon on. For example the wiring diagram for a ford eec iv system may be included in engine performance and wiring diagrams articles for ford motor co. It contains a microprocessor which reads various. Joined jan 12 2015 6 posts.
These systems were unusual in layout because they had some extra relay boxes and this makes the conversion a bit cumbersome compared to later wiring harnesses.
















