Dta s40 wiring loom order form when ordering an ecu and loom package or just a wiring loom on its own please study the attached wiring diagram and options list. Allan warburton created date.
Race Technology Knowledge Base Dash2proinstallation
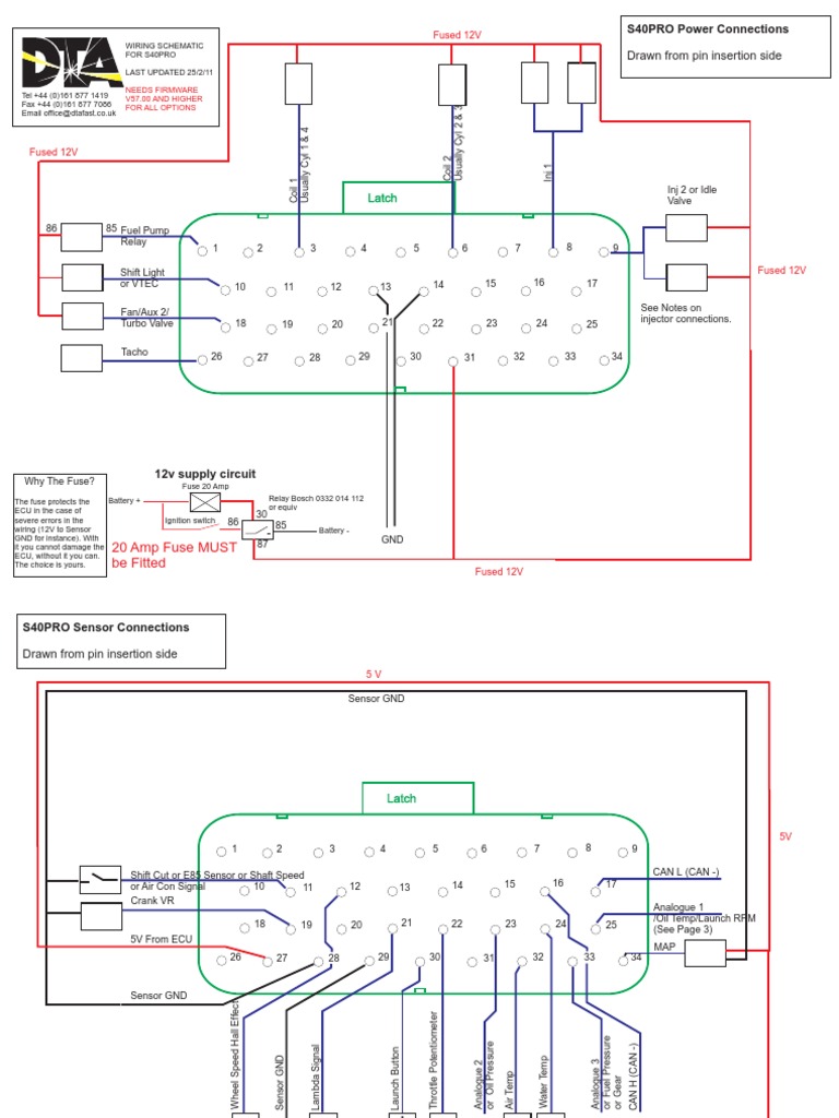
Dta s40 wiring diagram. 11182014 22235 pm. This wiring loom is a competition ecu only loom and only has the connections relevant to reliable and precise dta ecu operation. S40 wiring diagramcdr author. This is the connection diagram for the dta ecu manifolds and fuel rails. Alternatively without a diagram in front me g28opn can just use kl15 for switched ecu live no biggie. The prices and options available for the nt dash.
Wiring diagrams dta gdash wiring loom e48 wiring diagram p8 wiring diagram s40 wiring diagram s60 wiring diagram s80 wiring diagram s100 wiring diagram stc wiring diagram xdash loom xdash loom drawing. Impressum dta k1 jenvey je wiseco. As said this is how my wolf r is wired to supply 12v to the ecu and prevent me from going inside to the fuse box. Dta brochure english. Initially i was going to modify the escort rst manifold to take electronic injectors instead of the old mechanical ke injectors but it would involve some rather tricky machining to open out the holes for bigger injectors. S series price list.
We are talking about the integration dta s40 sem unit. Price list for the s series ecu range.














