Relays shown in these diagrams can provide options. Searching for information about ford mustang cooling fan wiring diagram.
Cooling Fans Testing Audiworld Forums
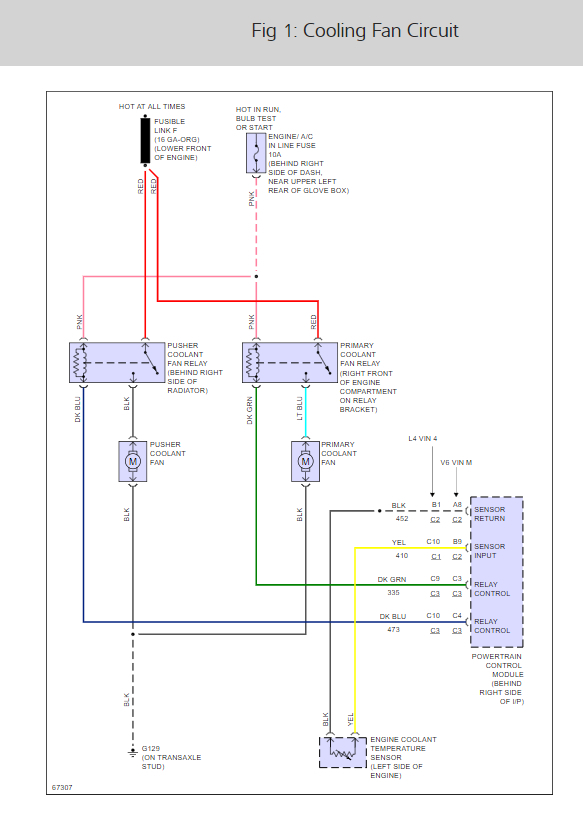
Cooling fan wiring diagram. This is based on the draw from the fans if the fans are larger and draw more than 15 amps each its recommended to install a second relay kit as shown below. Start your wiring project by taking both of the positive wires from the fans and run them to the yellow wires on each relay tab 87. With dual cooling fans there are two methods for wiring up the relay kit. You are right here. Start with taking both of the positive wires from the fans and run it to the yellow wires on each relay. The color coded diagram below will correspond with the wires on the relay kit to help simplify the wiring process.
So now we have a wire that goes through the engine bay to the cabin of your car. Connect a jumper wire across the radiator temperature switch harness connector. 800 x 600 px. Ceiling fan wiring diagram. Refer to wiring diagrams for circuit diagram. Here youll also be exposed to the current path voltage and sensor signal.
The cooling fan wiring diagram below is what weve found to be the simplest and most reliable method. You could be a specialist that intends to look for references or address existing troubles. Take a closer look at a ceiling fan wiring diagram. It uses a 40 amp electric relay and electric fan sensor. Wiring dual cooling fans. Cooling fans are now controlled by the ecm through the respective module network and using duty cycle control signals.
This might seem intimidating but it does not have to be. Most stand alone adjustable thermostats ie. Get the 10 gauge wire and place it through the hole in your fire wall. Or you are a pupil or perhaps even you who simply want to know about ford mustang cooling fan wiring diagram. Now take the power wire from your fan and connect it to the wire that is going through the firewall. Httpsamznto377klrp those fans fit perfect on 68 72 gm a body cars but are not recommended for ls engine.
Check for battery voltage at terminal 2 of fan relay connector fig. Suggested electric fan wiring diagrams suggested primary cooling fan single speed onoff using 12 volt switching devices only for primary activation note. Pick the diagram that is most like the scenario you are in and see if you can wire up your fan. Hayden flex a lite or perma cool brands can provide a 12 volt output when activated. You will then need switched power usually from your ignition switch wired to the blue wires on the relays. This will be the wire that connects your switch to your fan power wire.
With these diagrams below it will take the guess work out. Just an idea on how to wire up electric cooling fans for your vehicle cooling fans.

















