Download commander sk user guide and software. We have 1 emerson commander sk manual available for free pdf download.
Image Result For Chinese 50cc Quad Wiring Atv Pit Bike
Commander sk wiring diagram. The ladder logic program will be stored on the logicstick. Wiring regulations accident prevention regulations and electromagnetic compatibility emc regulations. S saftronics s10 basic wiring diagram emerson industrial automation control techniques and saftronics ac. The drive uses an. Wiring regulations accident prevention regulations and electromagnetic compatibility emc regulations. Page 14 see the syptlite help file for more information regarding using syptlite creating ladder diagrams and the function blocks available.
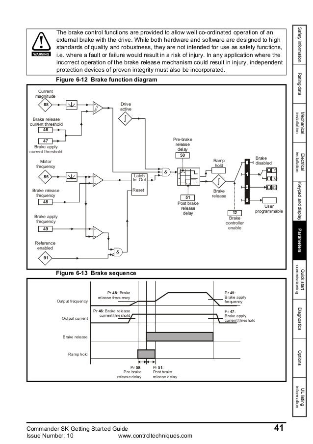
Advanced parameter logic diagrams and full parameter descriptions commander sk solutions module logic diagrams and parameter descriptions commander sk the commander sk is an open loop vector ac variable speed inverter drive used to control the speed of an ac induction motor. Particular attention must be given to the cross sectional areas of conductors the selection of fuses and other protection and protective ground earth connections. The commander sk technical data guide contains instructions for achieving. Terminal diagram and description johngierich 2020 05 07t105439 0500. The commander sk technical data guide contains instructions for achieving. A commander sk ladder logic program can contain up to 50 ladder logic rungs up to 7 function blocks and 10 contacts per rung.
Commander sk has been designed as a simple compact cost effective ac motor terminal diagram and description. Emerson commander sk getting started manual 54 pages ac variable speed drive for 3 phase induction motors from 025kw to 75kw 033hp to 10hp model sizes a b c and d. Manuals and user guides for emerson commander sk. Effective 2019 we no longer supply control techniques variable frequency drives and components. Getting started manual. Commander sk downloads for user guides and software from control techniques.
Particular attention must be given to the cross sectional areas of conductors the selection of fuses and other protection and protective ground earth connections. Control techniques commander sk ac drive. We have drives from several other manufacturers which can meet or exceed the performance characteristics of.


















