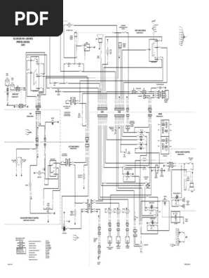
Bobcat t190 wiring diagram. It shows the components of the circuit as simplified shapes and the skill and signal contacts amongst the devices.
Bobcat Service Manual Operators Manual Amp Wiring Diagrams
Bobcat wiring diagram. From 1995 to july 2007 bobcat company was a division of ingersoll rand company currently owned by the south korean company doosan infracore. Due to its technical characteristics. When the concept of a skid steer loader was fully developed with a growing number of customers finding new and new ways of using this machine the company decided to give the car new. 773 attachment control options wiring schematics. Pictures for bobcat 763 parts diagram anything about. Bobcat 763 wiring diagram wiring diagram is a simplified adequate pictorial representation of an electrical circuit.
Bobcat 642 wiring diagrampdf free download ebook handbook textbook user guide pdf files on the internet quickly and easily. Bucket capacity 03 m3. Bobcat 773 wiring diagrams. 800 x 600 px source. The mini loader bobcat 773 belongs to the class of small sized equipment. Concerbiz if the image above is not extremely clear please click the photo you want to expand after that you will be required to one more page to present a clearer as well as bigger picture you will also exist info from gambvar.
Bobcat t190 wiring diagram. The list of manufactured equipment includes compact excavators loaders and other hydraulic equipment. 773 boss wiring schematics. Bobcat cargador serie g sistema eléctricopdf. 773 advanced hand control diagram. 773 without boss wiring schematics.
Bobcat 48 padded 48 smooth 73 padded 73 smooth 80 smooth vibratory roller service repair manual bobcat sc200 sand cleaner service repair manual sn b3yz00101 and above bobcat pcf34 pcf64 plate compactor service repair manual pcf34 sn aw3h00101 above pcf64 sn avny00101 above. Bobcat electrical wiring diagrams.

















