Lots of people charge for motorcycle service and workshop manuals online which is a bit cheeky i reckon as they are freely available all over the internet. Hi i need a wiring diagram for starting system of 2008 or yarlier susuki marauder 250.
Beb759 Wiring Diagram For 1972 Ford Mustang Wiring Library
Baotian bt49qt 9 wiring diagram. User manual service schedule history. Jialing tg regular posts. Baotian bt49qt 9 speedy user manual. Fri jun 15 2007 538 pm. Hjälm kom ihåg att alltid använda hjälm när du åker din moped 3. Go kart 150 basic wiring harness how to duration.
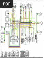
White yellow. Disassemble the movable drive face⑦. Ignition system general informationreference standard. 3 wire female plug. Baotian bt49qt 9 speedy user manualpdf. Maximum parts 15862 views.
View and download baotian bt49qt 9 user manual online. R rmove fan⑤ and v belt⑥. 50cc scooter stator 139qma 139qmb for bt49qt 9 with 3 pin female connector sttr012. Baotian bt49qt 9 speedy user manual. Baotian motorcycle service manual 29 pages. Bt49qt 9 motorcycle pdf manual download.
5 each online or download your baotian manual here for free. Manufacturer model year fitment. Att känna till hur mopeden fungerar. Rolling wrench 185634 views. Can anyone point me in the direction of a simple wiring diagram that shows how a starting circuit works. Inspektion före åktur läs mer om detta längre fram i användarmanualen 2.
Ignition system troubleshooting. Scooter baotian bt49qt 9 user manual service schedule history 26 pages scooter baotian bt125t 2 service manual. 10 gy6 performance mods you must know. 9 emove starting driven ratchet wheel by removing the nuts. Tänk på din säkerhet och trafikreglerna när du är ute och åker på din bt50qt 9. Adobe acrobat document 3224 kb.
Post by jialing fri sep 21 2007 354 pm. Cant quite get my head around why it starts on the kickstart and not on the starter at the moment. Ignition system diagrams. I had a. Is there somebody who can help me. Free baotian motorcycle service manuals for download.













