Some bajaj motorcycle parts manuals wiring diagrams pdf are above the page cheetak super excel legend. Posted on nov 06 2009.
Bajaj Discover 125 Specifications Features Mileage Weight
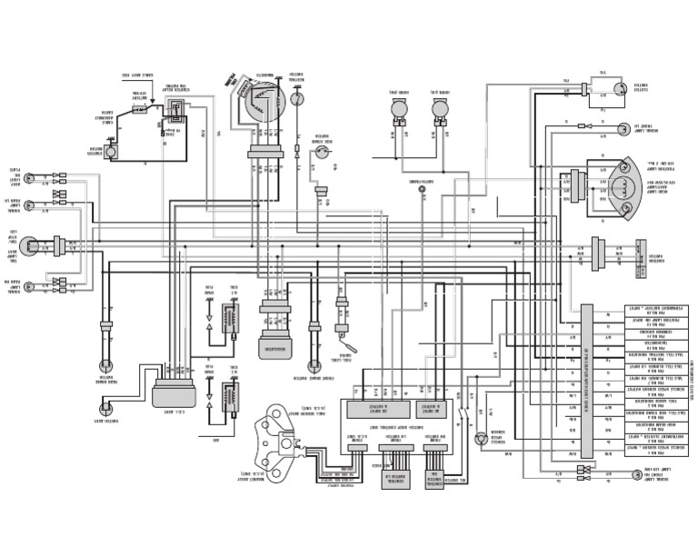
Bajaj discover 125 wiring diagram pdf. Bajaj discover 100 manual repair espanolpdf repair manuals 238 mb. I checked fork bend and all everything is okay. The bajaj uses a simple three wire system which is basically a feed which is switched into the left or right circuits there are plentiful supplies of vespa 3 wire out there using the wiring diagram above you can identify where the green and blue wires are and wire them in easily. Day time running light drl is a government regulation. 00 jul 2012 foreword dear customer congratulations on choosing dts i powered bajaj discover motorcycle one of the finest motorcycles in the country brought to you by bajaj auto limited. The indian brand bajaj auto founded in 1945 ranks third in the world in the production of motorcyclesinitially the company was in the sale of 2 and 3 wheel carts rickshaws popular among the indian population.
You can entrust bajaj dealers who are well equipped with all necessary facilities skill sets and trained manpower for servicing and repairs of your bajaj discover dts i. 2009 2009 bajaj boxer ct 100 tec s1d catalogo de partespdf repair manuals 368 mb. Bajaj super wiring diagrampdf repair manuals 901 kb. If i ride slow then there is no problem. Discover 125 manuals and user guides for bajaj auto discover 125. Page 2 bajaj dealers.
Wiring diagram for bajaj super and cub with electronic ignition system. All dimensions are under unladen condition. This vehicle complies to bs iv standards. Wiring diagram for bajaj super bajaj cub bajaj 125 with contact breaker point ignition. Page 1 4 gear 5 gear users guide export bajaj auto limited akurdi pune 411 035 india tel 91 20 27472851 fax 91 20 27407385. We have 1 bajaj auto discover 125 manual available for free pdf download.
After 14 years in 1959 bajaj auto acquired a state license for the. Please let me know. Spanish 57 ct 100. Excess sound in my bike bajaj discover dtsi 125 cc. My bajaj discover 125 dtsi handlebar continously shacking while sudden pick up of speed to 60kmph. Use only bajaj genuine parts doc.
125 kg disc brake gross vehicle weight 2475 kg 253 kg drum brake 255 kg disc brake discover 110 cbs discover 125 cbs note. Above information is subject to change without any notice. Please update in one post when posting back to back. Hi unnikrishnan for this scenario you will need your service manual that has all fastener torque specs and a wiring diagram on the back pages parts fiche and owners manual if you cant find the best tool you ever bought for your kawasaki despair not for a mere zero 0 you can download another one. Wiring diagram for bajaj super with ac blinkers bajaj make mod note.













