View and download buick lucerne 2006 manual online. Read more 2006 buick lucerne stereo wiring diagram.
Rd 6153 2008 Buick Lucerne Under The Hood Fuse Box Diagram
2006 buick lucerne cxl wiring diagram. Buick lucerne 2006 2007 fuse box diagram. Posted by anonymous on jul 14 2012. 2006 buick lucerne cxl. 4 answers 2006 buick lucerne back doors. Please also check out the statistics and reliability analysis of the 2006 buick lucerne based on all problems reported for the 2006 lucerne. Heated and cooled seats the front seats may have the heated and cooled seat feature.
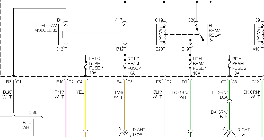
Lucerne 2006 car navigation system pdf manual download. The underhood fuse block is located on the passenger side of the engine compartment. Alldatas wiring diagram schematics are taken directly from original equipment manufacturer oem service manuals and made interactive for ease of use. Automotive wiring in a 2006 buick lucerne vehicles are becoming increasing more difficult to identify due to the installation of. The buttons are located on the front doors forward of the door handle. Here you will find fuse box diagrams of buick lucerne 2006 2007 2008 2009 2010 and 2011 get.
The full size sedan buick lucerne was produced from 2006 to 2011. Jheated seat cushion and seatback. With this highly detailed 2006 2009 buick lucerne repair manual you can do most service and repair at the comfort of your garage. Two problems related to wiring have been reported for the 2006 buick lucerne. Whether your an expert buick lucerne mobile electronics installer buick lucerne fanatic or a novice buick lucerne enthusiast with a 2006 buick lucerne a car stereo wiring diagram can save yourself a lot of time. Wiring diagram 2006 buick lucerne 2006 buick lucerne.
To heat or cool the seats the ignition must be on. We are the industrys leading source of online factory diagnostic and repair information used by 200000 automotive technicians everyday. 1 answer cant get 06 buick lucerne. So print off what you need and take it with you into the garage or workshopdwonload service repair manual for buick lucerne 2006 2007 2008 2009. Listed below is the vehicle specific wiring diagram for your car alarm remote starter or keyless entry installation into your 2006 2008 buick lucernethis information outlines the wires location color and polarity to help you identify the proper connection spots in the vehicle. The most recently reported issues are listed below.
2006 buick lucerne owner manual. 4 answers where is the battery located on a 2006 buick.


















