Freightliner fld120 wiring diagram. 1999 freightliner fld120 wiring diagram cars trucks.
2000 Freightliner Fld 120 Ebay Movie Youtube
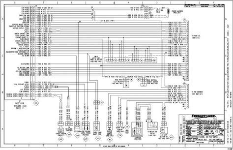
1999 freightliner fld120 wiring diagram. I think i need to use the cummins harn. Engine in out of a 2000 sterling the wiring harness is diffrerant. Freightliner wiring diagram 1999 freightliner fld120 wiring in 2003 freightliner electrical diagrams by admin through the thousand photos on the internet about 2003 freightliner electrical diagrams we all selects the very best choices having greatest image resolution only for you and now this photographs is actually one of photographs collections inside our greatest graphics gallery. Please help 1998 fld120 thx people. Removed a n14 370 hp. Some freightliner driver manuals pdf wiring diagrams schematics argosy business class m2 cascadia century columbia coronado 108sd 114sd 122sd 132sd fld sprinter are above this page.
Through the thousand photos on line about freightliner fld120 wiring diagrams we selects the top series with ideal image resolution exclusively for you all and now this images is usually among pictures collections in this best photographs gallery with regards to freightliner fld120 wiring diagramsim hoping you will enjoy it. I bought a new cd player and i dont know what wires are what. Posted by anonymous on sep 21 2013. Here is a picture gallery about freightliner fld120 wiring diagrams complete with the description of the image please find the image you need. Wiring diagrams schematic diagrams electrical diagrams are very basic content in it. Freightliner wiring diagram 1999 freightliner fld120 wiring throughout 2001 freightliner electrical wiring diagrams by admin from the thousand pictures on the internet in relation to 2001 freightliner electrical wiring diagrams we picks the very best selections with best resolution simply for you all and this images is actually one among photos libraries inside our ideal graphics gallery in.
Freightliner cruise control 94 wiring diagram. Freightliner wiring diagrams free 2000 freightliner fld120 wiring in freightliner fld120 wiring diagrams image size 800 x 480 px and to view image details please click the image. 1999 freightliner fld120 answered by a verified technician. Its a pioneer and probably the original one. Freightliner trucks a brand that produces trucks and tractors in the united states and is part of the corporation daimler agfounding of the company took place in 1942. Looking for the fuse panel diagram for a 2000 fld 120 freightliner.
This graphic freightliner fld120 wiring diagrams 1999. Reading freightliner truck wiring diagrams manual download now freightliner 108sd 114sd trucks workshop service repair manual download now freightliner cargo service repair manual download now. A few of diagram for freightliner fld120 fuse box are for sale for free while others are payable. Does anyone know were i can get the wiring diagram for my cassette deck in my truck.















