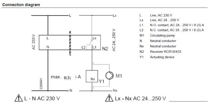
The rdh10rf is located in a plastic housing. Wiring diagram legend lx common l1 live feed to item to be controlled l2 changeover contact l live.
3 070 Rdh10rf Set Wireless Room Manualzz
Siemens rdh10rf wiring diagram. View and download siemens rdh10rf user manual online. Check wiring all electrical connections must comply with current regulations. Mounting wiring instructions for the siemens rdh10 digital room thermostat s technical helpline. Wireless room temperature controller with large lcd non programmable for heating or cooling systems. Lx l1 l2 are volts free. How to use your siemens rdh10rdh10rf.
In this video we are going to see siemens thermostat wireless room temperature controller with lcd rdh10rfset usefunction diagrammechanical designtechnical dataconnection diagram. Page 4 siemens rdh101 rdj101 battery powered units common switch live terminal satisfied terminal to boiler pump or valve terminal live input see note below not normally used lx l1 l2 rdh101 rdj101 back plate note. Test button test learn buttons to learn button gether reset function rdh10rf 412 siemens room temperature controllers ce1n3070en building technologies 01032010. 0870 850 0184 wiring diagram legend lx common l1 live feed to item to be controlled l2 changeover contact. How to use your siemens rdh10rdh10rf. Siemens n l l1 lx l2 ac 230 volt 230 volt switch live to boiler or valve rdhrdj rfreceiver.
Rdh10rf temperature controller pdf manual download. Two buttons are visible on the rear side when removing the baseplate.











