These are based on different feature sets. 11 introduction figure 1.
Power Wizard 1 1 Amp 1 1 Electrical Engineering
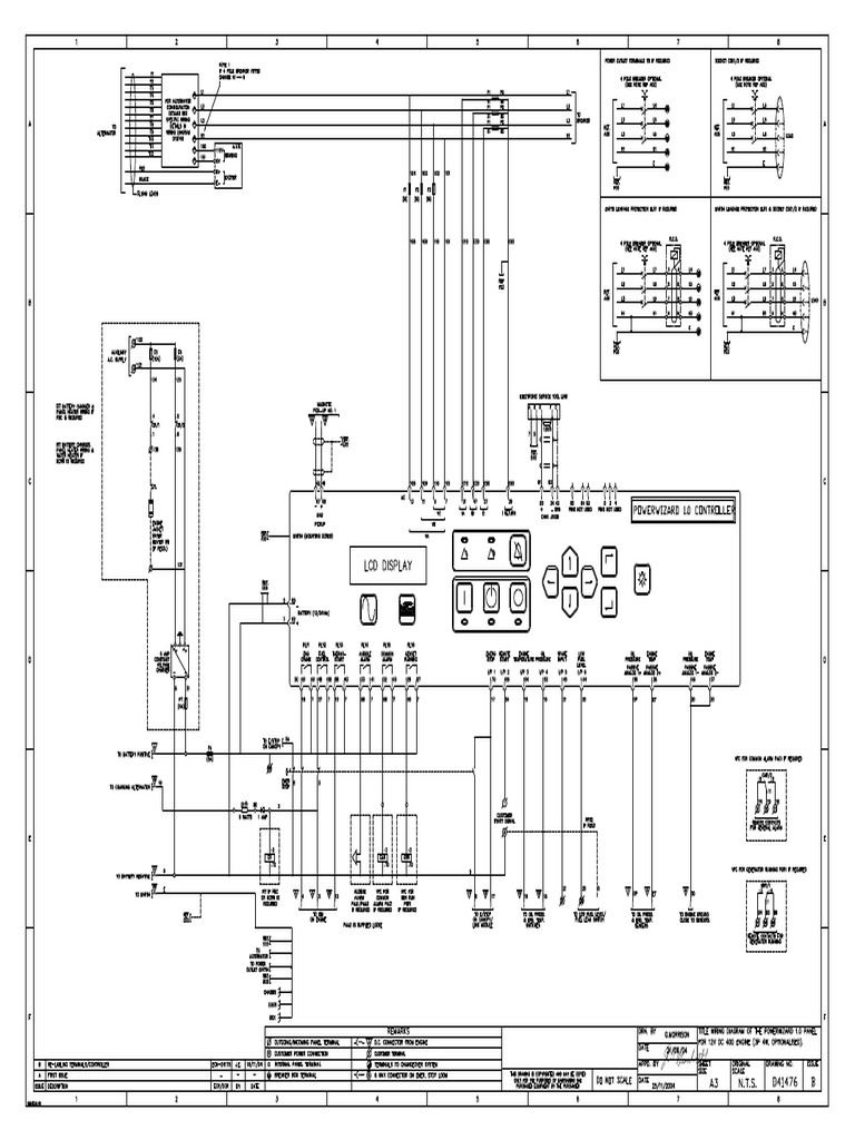
Power wizard 1 1 wiring diagram pdf. As such it is not acceptable whatsoever to publish any software that is bound by any legal restriction. They are used in automatic mains failure applications in conjunction with transfer panels. Explains the system outline. The letter in the code is from the first letter of the part and the number indicates its order. еprogrammed using standard еauto start controls protection and metering as level and. Select your woofer quantity and woofer impedance to see available wiring configurations.
Part p4 power window master sw is on page 21 of the manual. Federico gonzalez tengo un grupo electrogeno wilson con un tablero de control power wizard 10 y quiero conectarlo a la red electrica en caso de conte de energia mediante un tablero de transferencia automatica de carga debido a esto necesito los numero de los pines o el esquema electrico del controlador para poder conectarme a este. Powerwizard 11 11 21 and 21 the fg wilson powerwizard range of digital control panels combine straightforward menu navigation with advanced metering and protection technology. Hybrid generator hire hybrid power generators are suitable for pairing with diesel generators to reduce onsite co2. Lndicates the reference page showing the position on the vehicle of the parts in the system circuit. Powerwizard control panel the controller is available in three versions powerwizard 11 powerwizard 11 and powerwizard 21.
Determine what amplifier to use with your subwoofer system. 1300edi wiring diagrams for genset applications. Our powerwizard range allows you to monitor and control your generator. Power wizard wiring diagram datasheet cross reference circuit and application notes in pdf format. This application and installation guide is intended to cover the powerwizard generating set control and its application in generating set systems. The contents of this forum are for experimental educational purposes only.
еac metering kw kva kvar power factor kw hours kvar hours. In this video we will share basic knowledge about power wizard 11 wiring diagram connection in urdu powerwizard powerwizard10 powerwizardwiring basickn. 550 2000 kva generator hire our multi megawatt hv generator fleet can be rapidly deployed across the uk. Indicates values or explains the function for reference during troubleshooting. Powerwizard11 11. 20 500 kva generator hire ranging from 20kva to 500kva power electrics hire fleet is designed to meet the demands of a wide range of applications and sectors.
Power wizard 11 11 free download as excel spreadsheet xls xlsx pdf file pdf text file txt or view presentation slides online. The results will display the correct subwoofer wiring diagram and impedance load to help find a compatible amplifier. Level еcommon engine wiring system.











