Toyota hilux surf 4wd manual 172 pages table of contents. By karma supra march 23 2011 in hilux surf club.
Usb Schematic Symbol Wiring Diagram
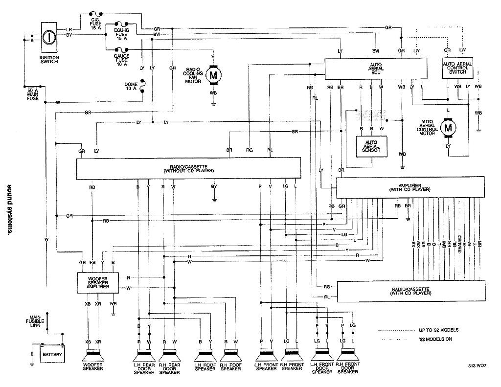
Hilux surf wiring diagram. Download free toyota hilux electrical wiring diagram pdf this toyota hilux electrical wiring diagram covered. Overall electrical wiring diagram hilux rhd also see for toyota hilux. Toyota hilux dimensions 2 pages manual is. 3 8543 posts. Kun15 16 25 26 series for service specifications and repair procedures of the above models other than those listed in this manual refer to the following manuals. Ive been informed by the garage that gave up on it that its probably a faulty ecu but as we cannot locate a wiring diagram anywherethey cannot proceed.
This wiring diagram manual has been prepared to provide information on the electrical system of the hilux. Toyota 3314 other manual 2 manual 138 pages. Hi allim currently in the position where i may have to spares or repair a perfectly good low mileage hi lux surf as i cannot get it to start. Results 1 20 of 27. Kzn 185 wiring diagram sign in to follow this. Electrical wiring diagram 1.
Hilux surf club. Stop light ground points engine room rb power source connector list part number of connectors troubleshooting abbreviations glossary of terms and symbols relay locations engine compartment instrument panel relay locations engine room rb and engine room jb inner. Toyota hilux owners manual 540 pages. Toyota hilux fitting instructions manual 14 pages. Reply to this topic. Related manuals for toyota hilux.
Hilux repair manual hilux new car. Automobile toyota hilux dimensions 2 pages. My question is does anybody have a relevant. Karma supra 3 karma supra 3 top rank poster.















